おかげさまで開設25周年HARRISONSANGLO.COM 創業祭

HARRISONSANGLO.COM

詳しくはこちら
マイストア マイストア 変更
  • 即日配送
  • 広告
  • 取置可能
  • 店頭受取

HOT ! すのー SAINT MxxxxxxSS25 5th Drop

※HARRISONSANGLO.COM 限定モデル
YouTuberの皆様に商品の使い心地などをご紹介いただいております!
紹介動画はこちら

ネット販売
価格(税込)

17399

  • コメリカード番号登録、コメリカードでお支払いで
    コメリポイント : 4ポイント獲得

コメリポイントについて

購入個数を減らす
購入個数を増やす

お店で受け取る お店で受け取る
(送料無料)

受け取り店舗:

お店を選ぶ

近くの店舗を確認する

納期目安:

13時までに注文→17時までにご用意

17時までに注文→翌朝までにご用意

受け取り方法・送料について

カートに入れる

配送する 配送する

納期目安:

2025.11.23 9:21頃のお届け予定です。

決済方法が、クレジット、代金引換の場合に限ります。その他の決済方法の場合はこちらをご確認ください。

※土・日・祝日の注文の場合や在庫状況によって、商品のお届けにお時間をいただく場合がございます。

即日出荷条件について

受け取り方法・送料について

カートに入れる

欲しいものリストに追加

欲しいものリストに追加されました

すのー SAINT MxxxxxxSS25 5th Dropの詳細情報

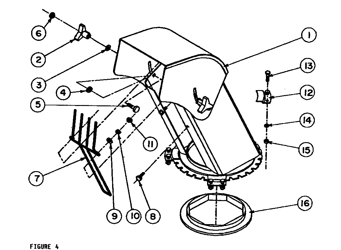
SAINT MxxxxxxSS25 5th Drop。SAINT MxxxxxxSS25 5th Drop。Greatbear 86'' Hydraulic Snow Plow – Chery Industrial。玩具職人30点セット9月1日~9月15日発送予定です。Kubota G2546A (46。
  • SAINT MxxxxxxSS25 5th Drop
  • SAINT MxxxxxxSS25 5th Drop
  • Greatbear 86'' Hydraulic Snow Plow – Chery Industrial
  • Kubota G2546A (46

同じカテゴリの 商品を探す

ベストセラーランキングです

このカテゴリをもっと見る

この商品を見た人はこんな商品も見ています

近くの売り場の商品

このカテゴリをもっと見る

カスタマーレビュー

オススメ度  4.4点

現在、3384件のレビューが投稿されています。